
Voltage Multiplier Circuits Voltage Multiplier Cir

Full Wave Voltage Doubler Tripler And Quadrupler
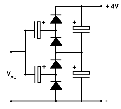
Diode Cascade Voltage Multiplier Circuitlab

Voltage Multiplier Voltage Doubler Voltage Tripler

Dc Voltage Multiplier Circuit Multistage Voltage Multipliers
Diode Cascade Voltage Multiplier Circuitlab

Voltage Doubler Stops Doubling Electrical Engineering

Half Wave Cockroft Walton Voltage Multiplier With N Stages

Voltage Multipliers Diodes And Rectifiers

Voltage Doubler Listenlights

Voltage Doubler Wikipedia

The Creative Science Centre By Dr Jonathan P Hare

Voltage Multiplier Frequency And Waveform Electrical

The Creative Science Centre By Dr Jonathan P Hare

Dc Voltage Converter Circuits Nuts Volts Magazine
Comments
Post a Comment